欢迎光临北京易安恒瑞科技有限公司网站!
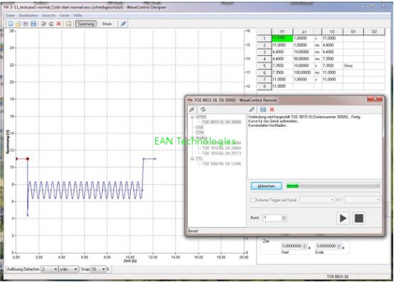
软件WaveControl

软件WaveControl

TOELLNER为车载网络仿真和组件测试(例如,汽车和航空电子行业)提供灵活的解决方案。


0.00
0.00
  

TOELLNER为车载网络仿真和组件测试(例如,汽车和航空电子行业)提供灵活的解决方案。


WaveControl软件可在测试站提供波形并控制TOELLNER系统组件,可根据您的要求进行量身定制。使用DAQ卡,任意信号波形都可以通过任意电源或输出功率范围为160 W5200 W的四象限放大器提供。对于快速中断,TOELLNER提供开关时间低于500 ns的电子开关。


WaveControl软件提供:

 

规范测试的扩展波形库,例如
-LV 124LV 148
-VDA 320
-VW 80000-1
-VW 82148
-GMW 3172
-MBN 10615
-ISO 16750-2

导入和导出记录的数据

可视化生成单个波形

序列控制和时序



产品分类
Product categories